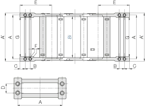
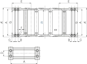
1. Skinnesidedele, aluminium, 2 m
2. Glidebjælke, plast 2 m
3. Glidebånd*, laterale, 2 m
4. Klemmesko, aluminium
5. C-profil, galvaniseret stål
6. Skrue M6 x 20
7. Glidemøtrik M8
8. Snitfladestik ”Basic”, plastik
10. Ekstra: Støjdæmpende profil, gummi
*uden glidebånd ved forespørgsel
Aluminium "Superskinne"- igus®-standard
"Superskinnen" af aluminium er et modulopbygget styreskinnesystem til lange vandringer (når E-Kæder glider på sig selv, iht. skitsen). "Superskinnen" af aluminium fås i billige "basisversioner" og kan opgraderes til anvendelsesformål med kraftige belastninger. På grund af de universelle brugsmuligheder anbefaler igus® dette styreskinnesystem.
- Flere forskellige monteringsmuligheder med ekstra kraftige beslag, klemmesko og sammenkoblingselementer
- Sidemonterede glidebånd til beskyttelse mod slid ved høje hastigheder
- Korrosionsbestandig takket være havvandsbestandig aluminium
- Fleksibel montering – fastgørelse på underkonstruktion, uafhængig af profillængde og samlinger
En føringsskinne er ikke tilgængelig for den valgte kæde.