Den avancerede kugleledsforbindelse bruger nu et yderligere stop for endnu større stabilitet. Specielt konstrueret til krævende anvendelser med høje accelerationer og tophastigheder.
Kald konfigurator
Applikationseksempler 3D-CAD Bestilling af vareprøver og katalog E-Kæde, Ekspertopringning Beregning af servicelevetid PDF -fil Spørg produkteksperten
Designet med igus®
Fiberstangsmoduler og strækaflastningsløsninger kan leveres
triflex® R varmebeskyttelsesforing beskytter mod metalstænk op til 600°C
Praktisk værktøj for demontering af e-chains® i triflex® B serie
Montagevejledning
Tekniske specifikationer
Trækaflastninger
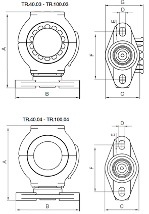
Monteringsbeslag
Lette monteringsbeslag
Drejelejer
Montering
Monteringsbeslag med bøjeradius support
Personlig kontakt
Generelle forretningsbetingelser Kolofon Generelle bemærkninger Erklæring om beskyttelse af personlige oplysninger