Vælg venligst leveringssted

Valget af land/region kan påvirke diverse faktorer som pris, forsendelsesmuligheder og produkttilgængelighed.
Min kontaktperson
igus® ApS

Lysholt Alle 8

DK – 7100 Vejle

+45 86603373
DK(DA)

drylin® N – Lavprofils lineærføringssystem NK-02-40

Version 02 med gevindhul:

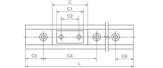
Bestillingsnr. Maks. skinnelængder a C4 A3 C5=C6 h h1 K1* ly lz Vægt af skinne Pris / m  
  [L maks.]       Min. max.       [mm2] [mm2] [g/m]    
klar til afsendelse om 24 - 48 timer NS-01-40 3000 40 60 0 20 20/49,5 8,7 1,3 M4 26400 970 450 30,00 EUR Læg i indkøbskurven
klar til afsendelse om 24 - 48 timer NS-01-40-UNGEBOHRT 3000 40 0 0 0 8,7 1,3 26400 970 450 26,85 EUR Læg i indkøbskurven
klar til afsendelse om 24 - 48 timer NS-01-40-AR 3000 40 60 0 20 20/49,5 8,7 1,3 M4 26400 970 450 34,50 EUR Læg i indkøbskurven
Mere om den valgte del:
3D-CAD 3D-CAD
Bestilling af prøver Bestilling af prøver
PDF PDF
Prisforespørgsel Prisforespørgsel
myCatalog myCatalog

For uborede skinner angives "Uboret" under bemærkninger.
* for bolte med lavt hoved

Version 02 med gevindhul:

Bestillingsnr. Betegnelse Vægt af slæde    
    [g]    
klar til afsendelse om 24 - 48 timer NW-02-40 Vogn der clipses på, fast leje 30 6,16 EUR Læg i indkøbskurven
klar til afsendelse om 24 - 48 timer NW-02-40-LLY Vogn der clipses på, flydende leje i y-retning 30 6,16 EUR Læg i indkøbskurven
klar til afsendelse om 24 - 48 timer NW-02-40-LLZ Vogn der clipses på, flydende leje i z-retning 30 6,16 EUR Læg i indkøbskurven
klar til afsendelse om 24 - 48 timer NW-02-40-LLYZ Vogn der clipses på, flydende leje i y- og z-retning 30 6,16 EUR Læg i indkøbskurven
Mere om den valgte del:
3D-CAD 3D-CAD
Bestilling af prøver Bestilling af prøver
PDF PDF
Prisforespørgsel Prisforespørgsel
myCatalog myCatalog

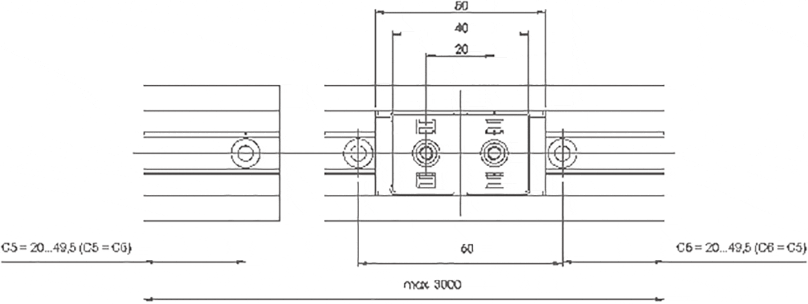
Version 02: Dimensioner [mm] - føring slæder

Del Nr. H A C C1 C2 A2 H2 K2 K3 K4 Spmin. DpØmin. Vægt
  ±0,35                       [g/m]
klar til afsendelse om 24 - 48 timer NW-02-40 9,5 23 50 40 20 0 0 M4 5 6,5 30
klar til afsendelse om 24 - 48 timer NW-02-40-LLY 9,5 23 50 40 20 0 0 M4 5 6,5 30
klar til afsendelse om 24 - 48 timer NW-02-40-LLZ 9,5 23 50 40 20 0 0 M4 5 6,5 30
klar til afsendelse om 24 - 48 timer NW-02-40-LLYZ 9,5 23 50 40 20 0 0 M4 5 6,5 30
Mere om den valgte del:
3D-CAD 3D-CAD
Bestilling af prøver Bestilling af prøver
PDF PDF
Prisforespørgsel Prisforespørgsel
myCatalog myCatalog

Version 12 med gevindhul:

Bestillingsnr. Betegnelse Vægt af slæde    
    [g]    
klar til afsendelse om 24 - 48 timer NW-12-40 Sprøjtestøbt vogn 30 6,16 EUR Læg i indkøbskurven
klar til afsendelse om 24 - 48 timer NW-12-40-LLY Sprøjtestøbt vogn, flydende leje i y-retning 30 6,16 EUR Læg i indkøbskurven
klar til afsendelse om 24 - 48 timer NW-12-40-LLZ Sprøjtestøbt vogn, flydende leje i z-retning 30 6,16 EUR Læg i indkøbskurven
klar til afsendelse om 24 - 48 timer NW-12-40-LLYZ Sprøjtestøbt vogn, flydende leje i y- og z-retning 30 6,16 EUR Læg i indkøbskurven
klar til afsendelse om 24 - 48 timer NW-12-27 Sprøjtestøbt vogn 12,5 3,75 EUR Læg i indkøbskurven
klar til afsendelse om 10 arbejdsdage NW-12-27-80 Slæde 25 7,17 EUR Læg i indkøbskurven
Mere om den valgte del:
3D-CAD 3D-CAD
Bestilling af prøver Bestilling af prøver
PDF PDF
Prisforespørgsel Prisforespørgsel
myCatalog myCatalog

Version 12: Dimensioner [mm] - føring slæder

Del Nr. H A C C1 C2 A2 H2 K2 K3 K4 Spmin. DpØmin. Vægt
  ±0,35                       [g/m]
klar til afsendelse om 24 - 48 timer NW-12-40 9,5 23 52 40 20 0 0 M4 5 6,5 30
klar til afsendelse om 24 - 48 timer NW-12-40-LLY 9,5 23 52 40 20 0 0 M4 5 6,5 30
klar til afsendelse om 24 - 48 timer NW-12-40-LLZ 9,5 23 52 40 20 0 0 M4 5 6,5 30
klar til afsendelse om 24 - 48 timer NW-12-40-LLYZ 9,5 23 52 40 20 0 0 M4 5 6,5 30
klar til afsendelse om 24 - 48 timer NW-12-27 9,5 14 34 30 20 0 0 M4 5 6,5 12,5
klar til afsendelse om 10 arbejdsdage NW-12-27-80 0 14 80 76 60 0 1,5 M4 5 6,5 25
Mere om den valgte del:
3D-CAD 3D-CAD
Bestilling af prøver Bestilling af prøver
PDF PDF
Prisforespørgsel Prisforespørgsel
myCatalog myCatalog

Bestilling af et komplet system

Konfiguration med blot et par trin:

1. Vælg antal slæder
2. Vælg slædetyper
3. Indtast skinnelængde i mm
4. Vælg slædevarianter
5.

Tip:

Yderligere information kan findes i tegningerne og tabeller herover samt på nedenstående sider. Du kan også finde mere nøjagtige oplysninger om flydelejetyper i designreglerne.
1

intet flydeleje

2

Flydende leje i z-retning

3

Flydende leje i y-retning

4

Flydende leje i yz-retning

drylin® NK – komplet sæt

Trin 1

Indtast det påkrævede antal slæder.

technical drawing
Antal slæder:

Slædelængder i version NW-12-40: 52 mm

A = M4 (maks. press-fit 1,2 Nm)
B = Boringer min.Ø 6,5
C = for maskinskruer M4, DIN 7984 / DIN 6912 / DIN 84, EN ISO 1707 / EN ISO 7045

Statisk belastning og inertimomenter for et område

Alternativt:

Endekappe for skinne,
Ordre nr.  NSK-40

klar til afsendelse om 24 - 48 timer
klar til afsendelse om 10 arbejdsdage