Skift sprog :

SHTP-FF i letvægtsdesign helt i plast
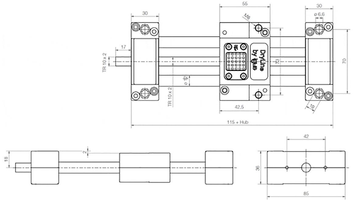
Det lineære SHTP-modul med quick-release-mekanisme har alle fordelene ved aluminiumsversionerne, men er meget lettere på grund af plastdesignet af slæder og tværstænger. Et lineært modul med en slaglængde på 100 mm vejer kun 0,35 kg.

...bestil tilslutningsklare lineære moduler med slaglængder på 250 og 500 mm i onlinebutikken.
Personlig betjening:
Mandag til fredag fra 7:00 til 20:00.
Lørdag fra 8:00 til 12:00.
Online:
24h