Skift sprog :

drylin N lavprofil-føringssystemet er ideelt til applikationer med begrænsede monteringsrum, da det fås i højder fra 6 til 12 mm. De små dimensioner resulterer også i et effektivt energiforbrug og lave emissioner samt transportable systemløsninger. Lavprofil-føringssystemet imponerer med sin høje produktionskvalitet og materialer. Produktet opnår alle kvaliteter med et minimum af komponenter. Det betyder, at monteringen er hurtigt overstået, og vedligeholdelsen er så enkel som muligt.
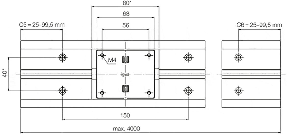
Pladsbesparende design med en installationshøjde på 9 til 12 mm.
Takket være et letvægts, energieffektivt design af det lavprofilerede styresystem.
De definerede forskydningskræfter gør justering og positionering nem.
Vognene og glidelementernes fjederforspænding sikrer en støjsvag kørsel.
På grund af overstøbte vogne (permanent forbindelse mellem vogn og glidelement).
Takket være brugen af dobbeltvogne er det ikke nødvendigt at bruge flere vogne.

Har du spørgsmål om drylin lineære føringer? Michael Hornung vil med glæde hjælpe dig via telefon eller online videoopkald via MS Teams.

Overbevis dig selv om vores drylin N lavprofilsystem med vores prøveæske.
Anmod om prøveboks
10 mulige besparelser, der kan hjælpe dig med at reducere unødvendige omkostninger med drylin lineære lejer.
Download whitepaper
Pre-load prisme slide

SLN lavprofil-styringssystem med blyskrue
Personlig betjening:
Mandag til fredag fra 7:00 til 20:00.
Lørdag fra 8:00 til 12:00.
Online:
24h