Skift sprog :

Hurtig levering, omkostningseffektiv og kundetilpasset
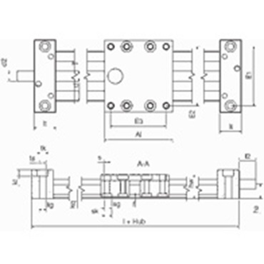
Lineære moduler kan bruges til præcist at justere en position på en arbejdsflade. Det er nu endnu nemmere med drylin® SLW-XY. igus har udviklet XY-borde, der er klar til at blive installeret, og som passer til den ønskede arbejdsflade.
SLW-XY XY-bordene fås i fire installationsstørrelser. Komponenter fra det lineære modulsystem drylin® W bruges som lineære føringer.
SLW-XY-0620
Maks. slaglængde: 150 mm
Versioner med frit spillerum og antirefleks fås også

SLW-XY-0630
Maks. slaglængde: 150 mm
Vognens længde: 54 mm

SLW-XY-0660
Maks. slaglængde: 300 mm
Vognens længde: 84 mm

SLW-BB-XY-1030
Maks. slaglængde: 200 mm
Vognens længde: 48 mm

SLW-XY-ESJ-1040
Maks. slaglængde: 300 mm
Vognens længde: 73 mm

SLW-XY-1040/-PL
Maks. slaglængde: 300 mm
Længde på slæde: 73 mm
PL= forspændingsversion fås som ekstraudstyr

SLW-XY-1080/-PL
Maks. slaglængde: 300 mm
Længde på slæde: 107 mm
PL= forspændingsversion fås som ekstraudstyr

SLW-XY-10120
Maks. slaglængde: 500 mm
Robust, bred bærende overflade

SLW-XY-2080
Maks. slaglængde: 500 mm
Længde på slæde: 134 mm
Preload-version tilgængelig som ekstraudstyr



Personlig betjening:
Mandag til fredag fra 7:00 til 20:00.
Lørdag fra 8:00 til 12:00.
Online:
24h